2-3-2-2 回路と電流・電圧
問題 1以下の図のように流れる電流をI₁、I₂、Iと定めると、
以下の図のように流れる電流をI₁、I₂、Iと定めると、
これらの関係はどのようになっていますか?

正解 :I₁=I₂=I
問題 2以下の図のように流れる電流をI₁、I₂、Iと定めると、
以下の図のように流れる電流をI₁、I₂、Iと定めると、
これらの関係はどのようになっていますか?

正解 :I₁+I₂=I
問題 3以下の図のようにかかる電圧をV₁、V₂、Vと定めると、
以下の図のようにかかる電圧をV₁、V₂、Vと定めると、
これらの関係はどのようになっていますか?

正解 :V₁+V₂=V
問題 4以下の図のようにかかる電圧をV₁、V₂、Vと定めると、
以下の図のようにかかる電圧をV₁、V₂、Vと定めると、
これらの関係はどのようになっていますか?

正解 :V₁=V₂=V
問題 52つの豆電球をとあるつなぎ方をすると、
2つの豆電球をとあるつなぎ方をすると、
1つの豆電球が切れてしまってももう片方の
豆電球は点滅したままであった。
どのような回路を作りましたか?
正解 :並列回路
問題 6電池1つの状態で2つの豆電球を
電池1つの状態で2つの豆電球を
直列つなぎと並列つなぎの両方を試してみました。
豆電球がより明るいのはどちらのつなぎ方をしたときですか?
正解 :並列つなぎ
問題 7乾電池を2つ、豆電球を1つ用意した。
乾電池を2つ、豆電球を1つ用意した。
乾電池を直列つなぎした場合と
乾電池を並列つなぎした場合とでは、
豆電球がより明るいのはどちらですか?
正解 :直列つなぎ
問題 8乾電池を2つ、豆電球を1つ用意した。
乾電池を2つ、豆電球を1つ用意した。
乾電池を直列つなぎした場合と
乾電池を並列つなぎした場合とでは、
乾電池がより長持ちするのはどちらですか?
正解 :並列つなぎ
問題 9以下のような直列回路がある。
以下のような直列回路がある。
電圧V₁の値はいくらであるか?

正解 :2
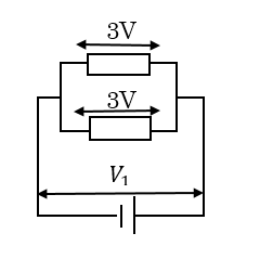
問題 10以下のような並列回路がある。
以下のような並列回路がある。
電圧V₁の値はいくらであるか?

正解 :3
問題 11以下のような直列回路がある。
以下のような直列回路がある。
電流I₁の値はいくらであるか?

正解 :5
問題 12以下のような並列回路がある。
以下のような並列回路がある。
電流Iの値はいくらであるか?

正解 :9